Home      Products     10inch Hub Motor     QS205 10inch       QS205 10in Hub Motor 3000W V3 Type
  • QS205 10in Hub Motor 3000W V3 Type
  • QS205 10in Hub Motor 3000W V3 Type
  • QS205 10in Hub Motor 3000W V3 Type
  • QS205 10in Hub Motor 3000W V3 Type
QS205 10in Hub Motor 3000W V3 TypeQS205 10in Hub Motor 3000W V3 TypeQS205 10in Hub Motor 3000W V3 TypeQS205 10in Hub Motor 3000W V3 Type

QS205 10in Hub Motor 3000W V3 Type



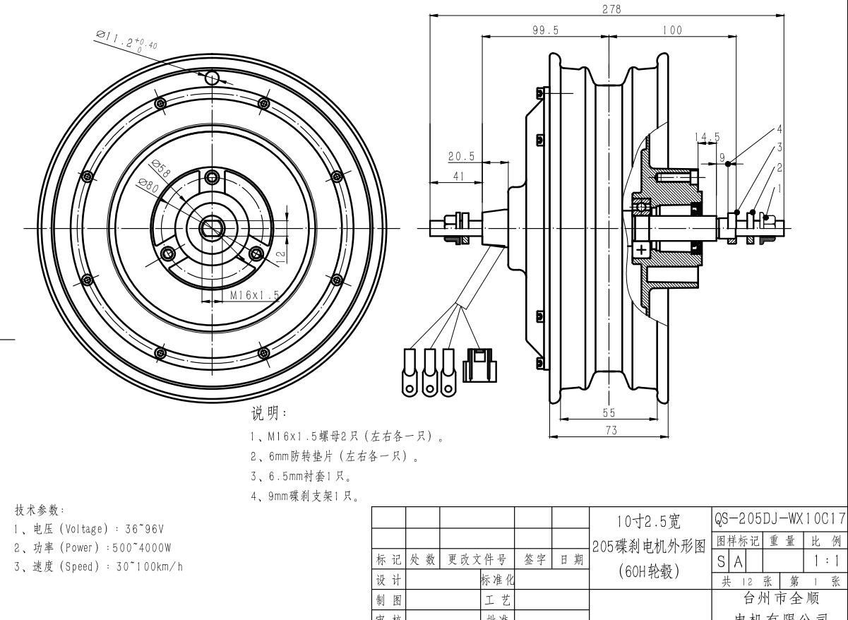
10inch E-Scooter In-Wheel Hub Motor(50H) 3000W V2 Type

Motor Specification:

1. Motor Type: BLDC Hub Motor with Permanent Magnets

2. Motor design: Double axle out with 10inch rim

3. Rim size:2.15-10

4. Matching Tire: 3.0-10, 3.5-10

5. Magnet Height: 50MM

6. Pole Pairs: 23 pairs

7. Rated Power: 3000W V3

8. Peak Power: 6000W

9. Max Torque: 175N.M

10. Max. Speed: 25-100kph for customized, usually we make it as 72V80KPH

11. Max Efficiency: Approx. 88%

12. Continious current:45A

13. Max current:80A (Peak 100A in short time)

14. Brake type: Disc brake or 110mm Drum brake(Optional)

15. Rear Fork width for installation: 200mm

16. Winding Holder material: Aluminium

17. Cross Section of Phase wire: 10 mm2

18. Dual Groups of hall sensor with waterproof connectors(One for spare)

19. Temperature Sensor:Optional

20. Max. Working Temperature: 70-120 degree, Peak 150 degree

21. Waterproof Grade: IP66

22. Color: Black

23. N.W./ G..W. : 14kgs / 15kgs

24. Package Size: 34*34*33CM

Motor Specification:

1. Motor Type: BLDC Hub Motor with Permanent Magnets

2. Motor design: Double axle out with 10inch rim

3. Rim size:2.15-10

4. Matching Tire: 3.0-10, 3.5-10

5. Magnet Height: 50MM

6. Pole Pairs: 16 pairs

7. Rated Power: 3000W V3

8. Peak Power: 6000W

9. Max Torque: 185N.M

10. Speed option:

11. Max Efficiency: 89%

12. Continious current:45A

13. Max current:80A (Peak 100A in short time)

14. Brake type: Disc brake or 110mm Drum brake(Optional)

15. Rear Fork width for installation: 200mm

16. Winding Holder material: Aluminium

17. Cross Section of Phase wire: 10 mm2

18. Dual Groups of hall sensor with waterproof connectors(One for spare)

19. Temperature Sensor:KTY83-122

20. Max. Working Temperature: 70-120 degree, Peak 150 degree

21. Waterproof Grade: IP66

22. Color: Black

23. N.W./ G..W. : 14kgs / 15kgs

24. Package Size: 34*34*33CM



INQUIRY

Leave a message